電氣火災監控系統
系統概述
電氣火災監控系統可實時監測現場設備的溫度和剩余電流情況,并在被探測參數超過報警設定值時發出報警信號,實現對被監測設備的實時監控,防止電氣火災的發生。該系統具有可靠性、實時性并具有數字化、智能化、網絡化、自動化和連續監控等特性。
該系統由電氣火災監控設備、探測器和傳感器組成。系統通過探測器對消防設備的用電線路進行實時監控,再由通訊總線上傳至電氣火災監控設備,通過監控設備顯示所監控設備的實時狀態,探測器主要監測設備供電的漏電流和溫度等信息,從而判斷設備是否存在漏電、發熱 嚴重等異常情況并及時報警、記錄。
設備及型號

系統功能
1、監控報警
監控設備線路漏電流的大小;
監控設備線路溫度;
報警響應時間:≤2s;
報警光信號:紅色LED 指示燈常亮;
報警聲信號:可手動消除;當再次有報警; 信號輸入時,再次啟動。
2、故障報警
監控器與模塊(電氣火災監控探測器)之間的連接線斷路、短路;
監控器主電源欠壓(≤80%主電源電壓) 或過壓(≥110%主電源電壓);
監控器與其分體電源間連接線斷路、短路故障報警響應時間:≤2s;
故障報警聲信號:手動消除;當再次有報 警信號輸入時,再次啟動;
故障報警光信號:黃色LED 指示燈常亮 故障期間,非故障回路的正常工作不受 影響。
3、控制輸出
監控器報警控制輸出:常開無源觸點。
4、數據互通
支持以 Modbus 協議與第三方設備建立通訊連接,完成數據交互,形成“監測- 報警-處置”閉環。
5、自動搜索
自有技術專利,一鍵搜索監控器回路下屬探測器,實現探測器的快速部署與配置,提高系統裝配效率。
6、主從組網
可視化能力:主機作為中央管理單元,分機按區域部署,形成分級監控網絡。主機支持圖紙導入,以圖形化標識在監控界面中標定設備位置,顯示設備信息。
可靠組網能力:主機自動檢測分機在線狀態及通訊質量,異常時觸發故障提示。區域化監控能力:主、分機均可獨立掛載區域探測器,故障發生時便于進行快速定位。靈活拓展能力:采用 RS485總線/光纖通訊,支持多分機并聯組網,適應不同規模的場景需求。
7、系統自檢
連接檢查:通信線路及供電線路的斷路、 短路、接地自檢;
設備自檢:主機及探測器的功能自檢。
8、報警記錄
記錄1000條相關故障報警信息;
報警類型:故障類型、發生時間、故障描述 報警事件查詢:直接通過監控主機進行查詢;
報警記錄打印。
9、操作分級
日常值班級:可進入軟件界面查看實時監 測情況、消除報警聲音和查詢報警記錄;
監控操作級:可操作除針對系統本身的信 息維護外的其他操作;
系統管理級:可操作系統的任何一個功能模塊。
電氣火災監控設備

技術特點
(1)19寸觸摸屏,搭配Windows 操作系統,操作便捷易上手
(2)圖顯型監控界面,設備信息多維展示
(3)系統用戶權限分級,降低誤操作幾率
(4)可與火災報警系統連接,實時數據統一管理
(5)一鍵查看全部設備運行狀態,故障、報警信息長期可查
(6)配置備用電源,突發狀況保障設備正常工作
(7)可作獨立型主機,亦可作集中型主機,具備組網能力

電氣火災監控設備

技術特點
(1)7寸嵌入式一體化觸摸屏,操作便捷易上手
(2)文本型監控界面,關鍵信息一目了然
(3)系統用戶權限分級,降低誤操作幾率
(4)可與火災報警系統連接,實時數據統一管理
(5)故障、報警信息歷史記錄
(6)配置備用電源,突發狀況保障設備正常工作
(7)可作獨立型主機,亦可作區域型從機,具備組網能力
技術參數

電氣火災監控探測器
技術特點
(1)自由組合

(2)報警功能
溫度、漏電流超過閥值時報警,報警閾值可針對單一模塊獨立配置。
(3)重要位置檢測
測溫傳感器一般捆綁于配電系統的第二級開關上接線端處;當配電系統的第一級與第二級開關之間距離較短時, 可粘貼于第一級開關下接線端處。因斷路器與電纜連接處接觸電阻最大,在線路過負荷狀態下,此處溫度最高 為火災易發點。
(4)參數設置
可以設置地址、漏電流檢測數量、溫度檢測數量。
通過監控器或上位機通信給探測器設置漏電流報警限定值300-1000mA、 超溫報警的限定值45-140℃,設定值 可連續調節
技術參數

剩余電流互感器
技術特點
(1)精度高:精度0.5/1.0/3級可選
(2)平衡特性優:可滿足探測器報警閾值20mA 要求
(3)外形美觀:緊湊設計,體型小巧,施工方便
選型說明
(1)電纜適用圓孔系列,母排適用矩形孔系列
(2)一體式探測器模塊默認配接513系列互感器
(3)分體式探測器模塊可配接多個系列互感器


PT100 溫度傳感器

技術特點
(1)體積小巧,安裝簡單。
(2)熱響應時間少,反應靈敏。
(3)防水防潮。
基本參數
溫度范圍:0~200℃
測量精度:±0.3℃
引線材質:可定制
引線長度:100cm (可定制)
引出線纜:二線制
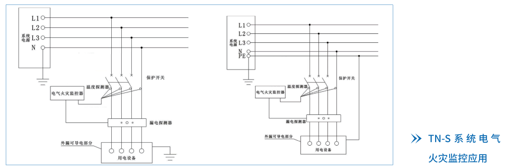
系統設計圖例
方案一

方案二


![]()
方案三

典型配電箱接線要求



布線要求
1.電氣火災監控系統的導線選擇、線路敷設、接地電阻,應與火災自動報警系統的要求相同。
2.系統總線宜采用WDZN-RVS-2×線徑(與24V電源線同敷設時)或WDZN-RVSP-2×線徑(與220V線纜同敷設時)。
3.傳輸線路應采用金屬管、可撓(金屬)電氣導管、B1級以上的鋼性塑料管或封閉式線槽。
4.與電力、照明合用豎井時,應與配電線路電纜分別布置在豎井的兩側。
5.合用線槽時,不同電壓等級的線纜應有隔板分隔。
6.宜采用紅藍或紅黑兩種不同顏色的導線,正極為紅色,負極為藍色或黑色。
